Privacy statement: Your privacy is very important to Us. Our company promises not to disclose your personal information to any external company with out your explicit permission.
मॉडल नं.: EWT4500A
ब्रांड: OEM आदेश स्वीकार्य
Origin: चीन
शक्ति का स्रोत: बिजली
आवेदन: एटीवी / यूटीवी
वोल्टेज: 24 वी, 12 वी
पैकेजिंग: निर्यात कार्टन
परिवहन: Ocean,Air
उद्गम-स्थान: चीन
बंदरगाह: NINGBO,SHANGHAI
भुगतान प्रकार: L/C,T/T,D/P
इंकोटर्म: FOB,CFR,CIF
इलेक्ट्रिक विंच 4500lb आइटम नंबर EWT4500A
विशेषताएं:
1. फ्री स्टील रेड्यूसर गियर
2. पेटेंट क्लच संरचना
3. फ्री स्पूलिंग क्लच
4. स्वचालित पेंच शंकु ब्रेक लगाना क्रिया
5. डीसी 12 वी या डीसी 24 वी पावर ड्राइव वैकल्पिक
6. हाई क्रंट वर्किंग स्विच कंट्रोल सीधे
7. एटीवी हैंडलबार स्विच कंट्रोल
ईडब्ल्यूटी4500
| SPECIFICATION | |
| Rated line pull | 4500 lbs (2041 kgs) |
| Motor: permanent magnet |
12V:Input: 2.5kW / 3.4hp; Output: 1.1 kW / 1.4hp
24V:Input: 2.6kW / 3.5hp; Output: 1.2kW / 1.5hp |
| Gear reduction ratio | 166:1 |
| Cable (Dia.× L) | Ø 15/64″×47.6′ (Ø6.0mm×14.5m) |
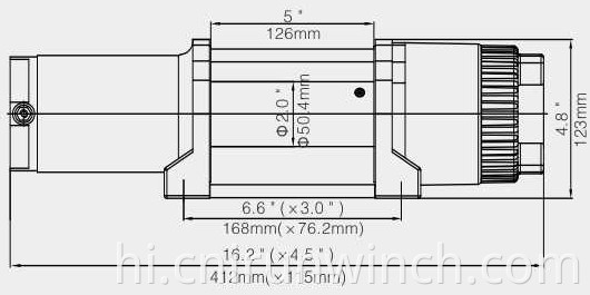
| Drum size (Dia.× L) | Ø 2.0″×4.9″ (Ø50.4mm×125 mm) |
| Mounting bolt pattern | 6.6″×3.0″ (168mm×76.2 mm) 4-M8 |
| Pull Speed Amperes Volts First layer | Line Pull And Rope Capacity In Layer | ||||||
|
Line Pull
Ibs (kgs) |
Line Speed
Ft/min (m/min) |
Current
A |
Layer
of cable |
Rated line pull
lbs(kgs) |
Total Rope On Drum
ft (m) |
||
| 12V DC | 24V DC | 12V DC | 24V DC | 1 | 4500(2041) | 10.8(3.3) | |
| 0 | 12.5(3.8) | 14.4(4.4) | 28 | 14 | 2 | 3833(1740) | 24.0(7.3) |
| 1000(454) | 8.5(2.6) | 11.1(3.4) | 140 | 50 | 3 | 3338(1515) | 39.4(12.0) |
| 2500(1135) | 6.2(1.9) | 8.8(2.7) | 170 | 90 | 4 | 2957(1342) | 47.6(14.5) |
| 4500(2041) | 5.2(1.6) | 4.6(1.4) | 220 | 110 | |||
| ITEM | EWT4500D | EWT4500A | EWT4500U |
| Overall dimensions |
16.2″×4.5″×4.8″
412mm×115mm×123 mm |
16.2″×4.5″×4.8″
412mm×115mm×123 mm |
16.3″×4.5″×6.6″
413mm×125mm×168mm |
| (L×W×H) | |||
|
Net weight (Ibs)
(kgs) |
29.8
13.5 |
32.4
14.7 |
32.4
14.7 |

कुल मिलाकर आयाम: 16.2″x4.5″x4.8″
(एलएक्सडब्ल्यूएक्सएच) 412mmx125mmx123mm
शुद्ध वजन: 14.7 किग्रा

उत्पाद श्रेणियाँ : एटीवी और यूटीवी विनचेस > अगल-बगल की चरखी
Privacy statement: Your privacy is very important to Us. Our company promises not to disclose your personal information to any external company with out your explicit permission.
Fill in more information so that we can get in touch with you faster
Privacy statement: Your privacy is very important to Us. Our company promises not to disclose your personal information to any external company with out your explicit permission.